首页
关于盛素
盛素简介
盛素历史
了解更多
产品中心
高低压成套系列
真空断路器系列
隔离开关系列
了解更多
解决方案
新闻资讯
公司新闻
行业动态
了解更多
人才发展
人才理念
人才招聘
了解更多
联系我们
联系方式
在线留言
了解更多
中文
/
EN
首页
关于盛素
盛素简介
盛素历史
产品中心
高低压成套系列
真空断路器系列
隔离开关系列
解决方案
新能源
电力输配电
工矿领域
公建居配
新闻资讯
公司新闻
行业动态
人才发展
人才理念
人才招聘
联系我们
联系方式
在线留言
中文
|
EN
TXGN-12固体绝缘环网开关设备
XGN66-12(Z)型固定式封闭开关设备
YB30-12预装式变电站
GGD交流低压配电柜
首页
>>
产品中心
>>
真空断路器系列
ZW32-12F带看门狗智能控制器
信息概述:
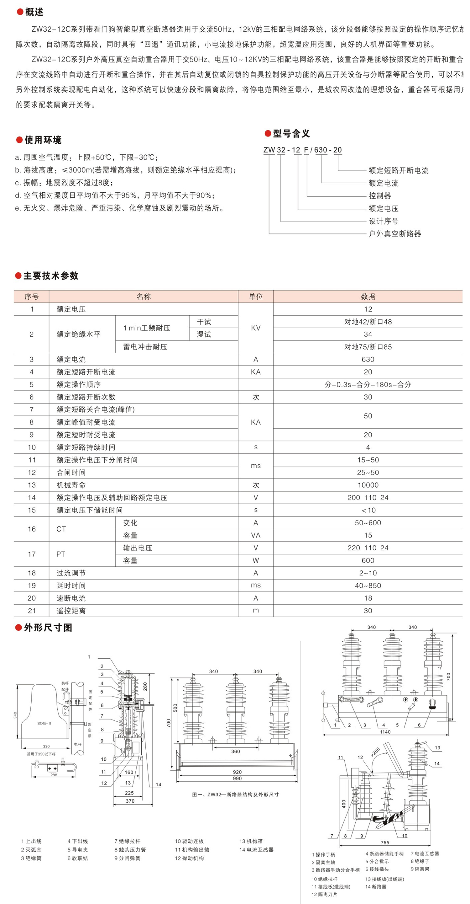
ZW32-12C系列带看门狗智能型真空断路器适用于交流50Hz,12kV的三相配电网络系统,该分段器能够按照设定的操作顺序记忆故障次数,自动隔离故障段,同时具有“四遥”通讯功能,小电流接地保护功能,超宽温应用范围,良好的人机界面等重要功能。
产品咨询
产品介绍
产品认证
证书
PDF资料1
参数
返回
关于盛素
盛素简介
盛素历史
产品中心
高低压成套系列
真空断路器系列
隔离开关系列
解决方案
新能源
电力输配电
工矿领域
公建居配
新闻资讯
公司新闻
行业动态
联系我们
186-5773-9556
地址:浙江省乐清市柳市镇东岙村
Copyright © 盛素电气有限公司 All Rights Reserved.
浙ICP备16012968号
网站建设:颂诚网络 温州
186-5773-9556
(联系电话 7×24)